Описание
Если Вы хотите заказать фитинг из нержавеющей стали AISI 316, замените первые две цифры артикула с 10.... на 11....
Если Вы хотите заказать фитинг из нержавеющей стали AISI 316 с гайкой из нержавеющей стали AISI 304, замените первые две цифры артикула с 10.... на 14....
Позиция не соответствует норме ISO 8434-1.
Если Вы хотите заказать фитинг из нержавеющей стали AISI 316 с гайкой из нержавеющей стали AISI 304, замените первые две цифры артикула с 10.... на 14....
Позиция не соответствует норме ISO 8434-1.
Характеристики
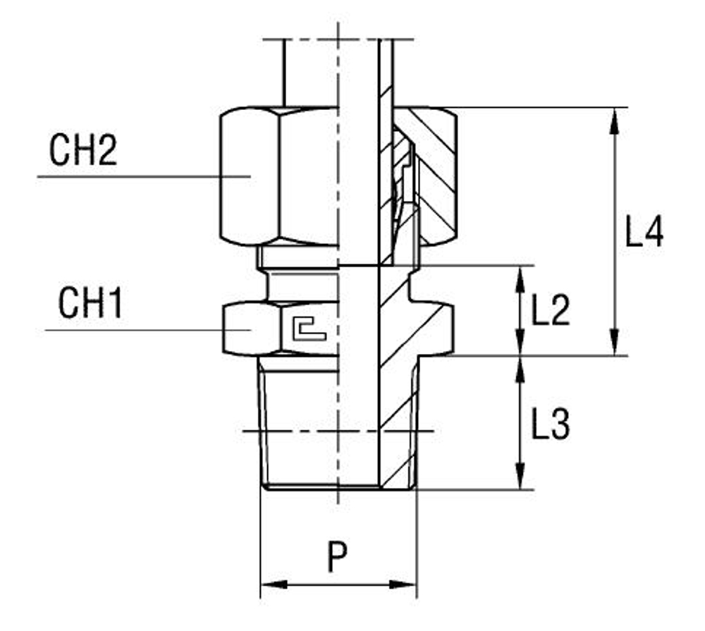
| Артикул | Бренд | CH1 | CH2 | L1 (мм) | L2 (мм) | L3 | L4 | Ø трубы D1 | WP (bar) | резьба P | серия |
| 111806 | CAST | 17 | 19 | 16 | 9 | 15 | 24 | 10 | 315 | 1/4 | L |
Показать полностью
Свернуть
Характеристики
Размер L3
15
Размер CH1
17
Размер L1 (мм)
16
Размер L2 (мм)
9
Серия
L
D трубы M1 D1
10
Размер CH2
19
Размер L4
24
Размер резьбы 7
1/4
WP (bar) рабочее давление
315
Бренд
CAST
Отзывы
Отзывов еще никто не оставлял
