Описание
Характеристики
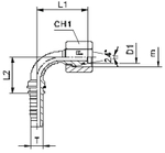
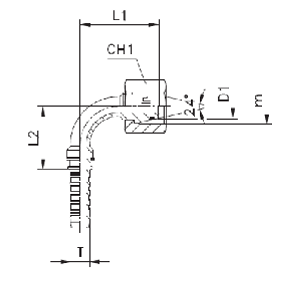
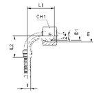
| Артикул | Бренд | CH1 | D1 | DASH | DN | ID (дюйм) | L1 | L2 | WP (bar) | Вид резьбы | М | Стандарт фитинга/муфты | Тип фитинга | Угол фитинга |
| 801107 | CAST | 19 | 8S | -4 | 6 | 1/4 | 33 | 26 | 450 | Внутренняя | 16x1.5 | Стандартный | DKO | 90 град. |
Показать полностью
Свернуть
Характеристики
WP (bar)
450
внутр. диаметр (дюйм)
1/4
Размер M фитинги Каст
16x1.5
Размер CH1
19
DN
6
DASH
-4
Размер L1 фитинги Каст
33
Размер L2 фитинги Каст
26
Размер соедин. D1 фитинги Каст
8S
WP (bar) рабочее давление
450
DN условный внутренний диаметр рукава
6
DASH размер продукции (рукава, фитинги, TC)
-4
Тип фитинга для РВД
DKO
Бренд
CAST
DN (услов внут диам рукава, фитингов)
6
Стандарт фитинга/муфты для РВД
Стандартный
Угол фитинга для РВД
90 град.
Вид резьбы фитинга для РВД
Внутренняя
ID (дюйм)
1/4
Отзывы
Отзывов еще никто не оставлял
